Máy lạnh tủ đứng Daikin Inverter 10.0 HP (10 Ngựa) FVPR250PY1 – 3 Pha – đặt sàn nối ống gió
Dàn lạnh tủ đứng Daikin đặt sàn nối ống gió

Dàn nóng tủ đứng Daikin đặt sàn nối ống gió
![]()
Thiết kế linh hoạt
Thiết kế cho ống môi chất lạnh dài
Chiều dài đường ống tối đa 70 m và độ chênh lệch tối đa 50 m để đáp ứng cho các công trình xây dựng quy mô vừa và lớn.
![]()
Áp suất tĩnh ngoài cao
Dàn nóng đã đạt được áp suất tĩnh bên ngoài cao lên đến 78,4 Pa, đảm bảo tản nhiệt hiệu quả và vận động ổn định của thiết bị theo cả phân cấp hoặc bố trí chuyên sâu.
![]()
Chế độ vận hành êm ái ban đêm
Chức năng vận hành êm ái vào ban đêm tự động triệt tiêu độ ồn hoạt động vào ban đêm bằng cách giảm công suất hoạt động để duy trì môi trường yên tĩnh của khu vực lân cận. Ba chế độ có thể lựa chọn có sẵn, tùy thuộc vào mức độ yêu cầu.
![]()
*1. Cài đặt ban đầu là 8 tiếng. Có thể chọn từ 6, 8 và 10 tiếng.
*2. Cài đặt ban đầu là 9 tiếng. Có thể chọn từ 8, 9 và 10 tiếng.
*3. Trong trường hợp RZUR250PY1 (4).
Chú ý:
- Chức năng này có sẵn trong cài đặt tại chỗ lắp đặt.
- Độ ồn vận hành trong chế độ vận hành êm ái là giá trị thực tế đo bởi công ty của chúng tôi.
- Mối quan hệ của nhiệt độ ngoài trời (tải) và thời gian được hiển thị trên đây chỉ là một ví dụ.
Độ tin cậy
Chức năng hoạt động dự phòng
![]()
Mở rộng hệ thống quản lý tập trung
Quản lý tập trung có thể tích hợp với hệ thống D-BACS với tốc độ truyền dữ liệu cao. Điều khiển tập trung hiện khả dụng khi sử dụng với máy điều hòa không khí Inverter Packaged. Hiển thị thời gian làm sạch bộ lọc không khí và chức năng tự kiểm tra để bảo trì đơn giản.
![]()
Không khí được dẫn thông qua ống gió
– Điều hòa không khí cho nhà xưởng bằng cách dẫn các đường ống gió trên cao.
Chú ý: Ống gió được cung cấp tại địa phương
![]()
Tăng dải hoạt động của dàn nóng lên 49°C
![]()
Chú ý: Khi nhiệt độ ngoài trời giảm xuống dưới 10°C, bộ điều nhiệt sẽ TẮT, dàn nóng dừng hoạt động, và sự vận hành chuyển từ làm lạnh sang chạy quạt.
Hiệu suất quạt
![]()
Sơ đồ mạch điện dàn nóng
![]()
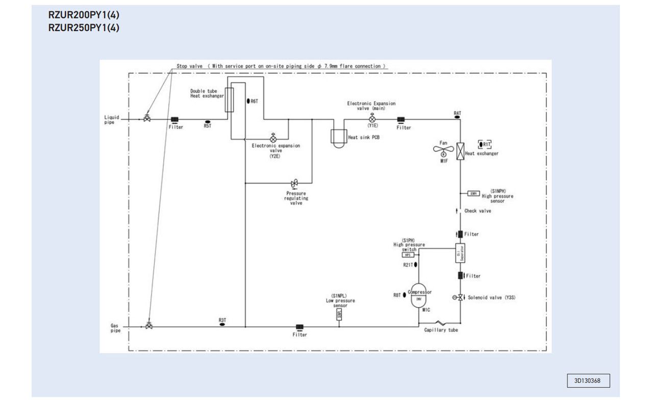
Sơ đồ đường ống dàn nóng
![]()
Khoảng cách yêu cầu khi lắp đặt dàn lạnh (Đơn vị:mm)
![]()
Khoảng cách yêu cầu khi lắp đặt dàn nóng (Đơn vị:mm)
![]()
![]()
1. Độ cao của tường trong trường hợp Mẫu 1 và 2:
Phía trước: 1500 mm
Mặt hút: 500 mm
Mặt bên: Chiều cao không hạn chế
Không gian lắp đặt được thể hiện trong bản vẽ này dựa trên hoạt động làm lạnh ở nhiệt độ không khí ngoài trời 35 độ.
Khi nhiệt độ không khí ngoài trời vượt quá 35 độ hoặc phụ tải vượt quá khả năng tối đa do tải nhiệt toàn bộ dàn nóng sinh ra nhiều thì lấy không gian bên hút rộng hơn không gian thể hiện trong bản vẽ này.
2. Nếu chiều cao tường ở trên bị vượt quá thì h2 / 2 và h1 / 2 phải được thêm tương ứng vào khu vực dịch vụ phía trước và bên hút như thể hiện trong hình bên phải.
3. Khi lắp đặt các thiết bị phù hợp nhất nên được chọn từ các mô hình hiển thị ở trên để có được sự phù hợp nhất trong không gian có sẵn, luôn nhớ rằng cần phải để lại đủ không gian cho một người đi qua giữa các thiết bị và tường, cho không khí để lưu thông tự do.
4. Các thiết bị nên được lắp đặt để chừa đủ không gian ở phía trước để việc đường ống môi chất lạnh tại chỗ được thực hiện thoải mái.
(Nếu nhiều thiết bị được lắp đặt hơn số lượng được cung cấp trong các mẫu trên cách bố trí của bạn nên tính đến khả năng ngắn mạch.)
Thông số kỹ thuật
![]()
Chú ý :
*1. Nhiệt độ trong nhà: 27°CDB, 19°CWB / Nhiệt độ ngoài trời: 35°CDB / Chiều dài đường ống tương đương: 7.5 m, Độ chênh lệnh: 0 m.
*2. Giá trị quy đổi trong phòng không dội âm, được đo tại điểm cách thiết bị 1 m ở độ cao 1,5 m. Trong quá trình vận hành thực tế, các giá trị này thường cao hơn một chút do điều kiện môi trường xung quanh và chế độ phục hồi dầu. Nếu lo ngại về tiếng ồn khu vực xung quanh như nhà ở, chúng tôi khuyên bạn nên xem xét vị trí lắp đặt và thực hiện các biện pháp cách âm.
*3. Giá trị là áp suất tĩnh bên ngoài với puli tiêu chuẩn.
Công Ty TNHH Cơ Điện Lạnh Nam Lê
- Địa chỉ: 47, đường A5 Khu phố Phước Lai, Phường Trường Thạnh, TP Thủ Đức, TP HCM
- Hotline: 0978263878 hoặc 0978263878
- Email: codienlanhnamle@gmail.com
- Hoặc bạn có thể trò chuyện cùng các tư vấn viên giàu kinh nghiệm của chúng tôi qua Zalo Chat (ở góc phải màn hình).
- Ngoài ra, bạn còn có thể ghé đến văn phòng của chúng tôi để xem demo trực tiếp và chọn lựa thiết bị phù hợp.
Đánh giá
Chưa có đánh giá nào.